The Terrova is available in fresh and saltwater options and can be controlled with a foot pedal, Advanced GPS Micro Remote, and Advanced GPS Remote. All Terrovas come with Advanced GPS installed.
Jump to:
- Installation Considerations
- Mount Features
- Deploy and Stow the Terrova
- Push-to-Test Battery Meter
- Adjusting the Depth of the Motor
- Adjusting the Lower Unit for a Secure Stow
- Using the Foot Pedal
- Remote Options
- Advanced GPS Navigation Wireless Remote Functions
- Advanced GPS Navigation Micro Remote Functions
- Terrova Serial Number Location
- 2024 Terrova (brushed) Dimensions
- Installing an External Transducer on a Terrova (2023-present)
- Manuals
- Terrova Owner's Manual
- Terrova Installation Guide
- Terrova Mounting Dimensions
- Riptide Terrova Owner's Manual
- Riptide Terrova Installation Guide
- Wireless Remote Product Manual
- Advanced GPS Navigation for APEX and SOLIX
- Advanced GPS Navigation for HELIX
- One-Boat Network App Product Manual
- OBN App & Wireless Remote Pairing Quick Reference Guide
Installation Considerations
When installing the Terrova, we recommend following the instructions in the Terrova Installation Guide. We also recommend a 60 amp circuit breaker. You may also want to consider using a Trolling Motor Plug as it will allow you to easily disconnect your motor from power when not in use or when charging the trolling motor batteries.
- It is recommended that the motor be mounted as close to the centerline of the boat as possible.
- Make sure the area under the mounting location is clear to drill holes and install nuts and washers.
- Make sure the motor rest is positioned far enough beyond the edge of the boat.
- The motor must not encounter any obstructions as it is lowered into the water or raised into the boat when stowed and deployed.
- When installing the Terrova, we recommend following the instructions in the Terrova Installation Guide. We also recommend a 60 amp circuit breaker. Click here for MKR-27 60 Amp Circuit Breaker purchase options.
- Consider a quick release or adapter bracket with the installation of your motor. The button below will walk you through selecting the best Quick Release Bracket for your boat and motor.
- You may also want to consider using a Trolling Motor Plug as it will allow you to easily disconnect your motor from power when not in use or when charging the trolling motor batteries. Click here for MKR-28 Trolling Motor Plug purchase options.
Mount Features
-
Depth Collar & Depth Collar Knob
The Depth Collar is located on the Shaft above the Steering Housing. It functions to hold the motor at the proper depth while deployed. It also functions to hold the Lower Unit in place when stowed while not in use and during transport. The Depth Collar Knob is used to loosen and tighten the Depth Collar so that it can slide up and down the motor shaft. -
Fall Away Ramps
The Fall Away Ramps hold the Lower Unit when the Motor is stowed and rotate to release the Lower Unit as the unit is being deployed. When the Stow Deploy Lever is pressed it unlocks the position of the Fall Away Ramps and the Ramps rotate to guide the Lower Unit back onto the mount when the motor is stowed. -
Power Button
The Power button is located on the Indicator Panel on the Mount. The Terrova must be manually powered "on" and "off." When the Motor is powered "on," the Power Indicator will be illuminated green . When the Motor is powered "off," the Power Indicator will not be illuminated. -
AutoPilot
The AutoPilot Indicator is located on the Indicator Panel on the Mount. It is illuminated green when AutoPilot is engaged and it is not illuminated when AutoPilot is not engaged. -
Stow Deploy Lever
The Stow Deploy Lever is located at the top of the mount. The Stow Deploy Lever functions to unlatch the Fall Away Ramps which rotate to guide the Lower Unit. The Stow Deploy Lever is actuated by pressing it down.
Deploy and Stow the Terrova
-
Deploy
Loosen the Depth Collar then push firmly down on the Stow Deploy Lever. Slide the motor forward, out from the Fall Away Ramp. Lower the motor to the desired depth. Make sure it clicks into a secure, vertical position. Once at the desired depth, slide the Depth Collar against the Steering Housing and tighten. -
Stow
Loosen the Depth Collar and depress the Stow Deploy Lever. Raise the motor by pulling up on the Shaft or Control Head. Pull the motor toward the stern until it rests securely on the Fall Away Ramp and the Fall Away Ramps captures the Lower Unit. Slide the Depth Collar down and secure it against the top of the Steering Housing to secure the motor in place and prevent accidental deployment.
Push-to-Test Battery Meter
The Terrova is equipped with a Push-to-Test Battery Meter. The LED located on the Indicator Panel on the Mount of the motor. The Battery Meter provides an accurate display of the remaining charge in the battery. It is only accurate when the motor is off. The meter reads as follows:
- One light indicates recharge.
- Two lights indicate low charge.
- Three lights indicate good charge.
- Four lights indicate full charge.
Adjusting the Depth of the Motor
Once the boat is on the water, it may be necessary to adjust the Lower Unit up or down to achieve an optimum depth for motor performance. When setting the depth of the motor, be sure the top of the motor is submerged at least 12” below the surface of the water to avoid churning or agitation of surface water.
- With the motor in the deployed position, locate the Depth Collar on the Shaft above the Lift Assist Housing.
- While holding the Shaft, loosen the Depth Collar Knob until the Shaft can slide up and down freely.
- Raise or lower the motor to the desired depth.
- Turn the motor Control Head to the desired position
- Slide the Depth Collar against the Steering Housing and tighten the Depth Collar Knob to secure the motor in place.
Adjusting the Lower Unit for a Secure Stow
When the Motor is stowed, the Lower Unit should rest on the Fall Away Ramps, a part of the Motor Mount. It is recommended to secure the motor using the following instructions to avoid damage to the motor and shaft from vibrations during transport.
- Before transporting the boat over water or land, stow the motor to determine where the Lower Unit rests on the Fall Away Ramps.
- If the Lower Unit does not sit on the Fall Away Ramps, deploy the motor, and stow it again.
- Be sure to press the Stow Deploy Lever and adjust the Motor to allow it to rest on the Fall Away Ramps.
Using the Foot Pedal
-
Motor Speed
The Speed Control knob is located on the right side of the Foot Pedal above the and Spot-Lock button. Turn the Speed Knob forward to increase speed and backwards to decrease speed. The Speed Control knob can be set in a range from 0 to 10. Speed can also be adjusted using the remote. -
Spot-Lock
The Spot-Lock button is located on the bottom, right side of the Foot Pedal and is labeled with an anchor symbol. When the Spot-Lock button is pressed, the location of the motor is recorded to a temporary memory location. The blue light next to the Spot-Lock label on the Indicator Panel is illuminated when Spot-Lock is engaged. To engage Spot-Lock press the Spot-Lock button, to disengage, press the Spot-Lock button again. When engaging Spot-Lock, a tone will be emitted. When disengaging Spot-Lock with the Spot-Lock button, no tone will be emitted. Steering the motor with the Foot Pedal or adjusting the speed using the Speed Knob will cancel Spot-Lock and a High-Low, High-Low, High-Low tone will be emitted. Spot-Lock can also be controlled with the remote. For more specific directions on how to use Spot-Lock, please refer to either the i-Pilot or i-Pilot Link Manual. -
Steer Right/Steer Left
The Steer Right and Steer Left buttons are located at the bottom of the Foot Pedal. They function to steer right and left. Holding the Steer Right or Steer Left buttons down will continue to steer the motor to the left or right. Small steering changes of less than one degree can be made by quickly tapping the Steer Right and Steer Left buttons. The position and direction of the Steering Head directly corresponds to the position of the motor. The direction of the motor can also be controlled with the remote. -
Prop ON/OFF
The Prop ON/OFF button is located in the bottom, middle of the Foot Pedal. It functions to turn the Prop on and off. The Prop will turn on when pressure is applied and turn off when pressure to the button is removed. -
Constant
The Constant button is located on the left side of the Foot Pedal, towards the bottom, right below the AutoPilot button. It functions to toggle the motor between Constant Motor Operation and Momentary Motor Operation. The green light on the Indicator Panel will be illuminated when the motor is in Constant Motor Operation. In Constant Mode, the propeller will continually run, regardless of whether or not force is being applied to the Momentary button or Prop ON/OFF button. While in Constant Motor Operation, the propeller will run continuously at the speed set by the Speed Control knob, or by the i-Pilot or i-Pilot Link remote. If a propeller encounters an obstruction while either in Momentary or Constant Mode, while the propeller is running, the increased electrical current being generated by the obstruction will signal the motor to decrease the power to the propeller to prevent damage. If the current overload is detected for more than 20 seconds, the prop will be disabled to prevent damage to the motor. In this event, the operator can turn the prop back on after being sure that the obstruction has been cleared. -
AutoPilot
The AutoPilot button is located in the middle, on the left side of the Foot Pedal. Pressing the AutoPilot button toggles the feature on and off for motor that are installed with this feature. The red light on the Indicator Panel is illuminated when this feature is engaged. When AutoPilot is initiated from the Foot Pedal, the default AutoPilot mode is determined by the remote. AutoPilot can also be engaged and disengaged using the remote. For more specific directions on how to use AutoPilot, please refer to either the i-Pilot or i-Pilot Link Manual. The AutoPilot Indicator on the Mount will also be illuminated when AutoPilot is engaged. -
Momentary
In Momentary Motor Operation, the propeller will only run while downward force is applied to the Momentary button. The Momentary button is on the Toe End of the Heel/Toe Steering pedal. Applying downward pressure to the Momentary button will turn the propeller on. The motor will then run at the speed set by the Speed Knob or remote. Removing downward force to the Momentary button will turn the propeller off. No indicator light is associated with the Momentary button. The Momentary button functions very similar to the Prop ON/OFF button. -
Heel/ Toe Steering
Push the Toe End of the Foot Pedal down to turn right and push the Heel End of the Foot Pedal down to turn left. The position and direction of the Control Head directly corresponds to the position of the motor. You must use your foot on the pedal to control the steering direction during manual operation. The direction of the motor can also be controlled with the remote. -
Steering in Reverse
The propeller always turns in the forward direction. You can reverse the direction of thrust by turning the motor 180°.
Remote Options
The Terrova has 2 options for remotes, full-sized Advanced GPS remote and the Micro Advanced GPS remote. The remote you have will determine how to use it.
-
Advanced GPS remote
-
Advanced GPS Micro remote
Functions
Power the Remote On and Off
- To Power the remote on, press the power button on the side of the remote.
- To Power Off the remote, press the Power button and then the Steer Right button.
Power Button
When using the Wireless Remote buttons, the Power button will open the Power Menu system. The Speed Up and Speed Down buttons are used to move up and down the menu and the Steer Right button is used to select a menu option.
Power Menu
The Power Menu is accessible by pressing the Power button on the right side of the remote. Become familiar with the choices in the Power Menu to better control the Wireless Remote. Power Menu selections are dynamic, depending on your setup. Standard selections include Power Off, Backlight and Backlight Timeout. Additional selections may include Shallow Water Anchor and Motor menus when these devices are connected.
- POWER OFF - Powers the remote "off."
- BACKLIGHT - Sets the Backlight intensity to either "off" or a range of one to five. The default is "off."
- BACKLIGHT TIMEOUT - Sets the timeout duration for the Backlight. It can be set to 10 seconds, 30 seconds, 1 minute, 5 minutes, and Always On. The default is 30 seconds.
- RAPTOR/TALON UP - Only visible when a Raptor/Talon is paired. Use to retract the Raptor/Talon.
- RAPTOR/TALON DOWN - Only visible when a Raptor/Talon is paired. Use to deploy the Raptor/Talon.
- INSTINCT/ULTERRA - Only visible when an Ulterra, Ulterra QUEST & RT Instinct QUEST motor is connected. Use to stow and deploy the motor and adjust the trim.
Turn the Prop On and Off
When turning on the prop, the motor needs to be at least 18 inches below the mount. There is a lockout zone to prevent the motor from accidentally turning on and causing damage.
- The prop can be turned on and off by pressing the prop button.
Increase and Decrease Speed
To increase or decrease your speed with the remote, the motor must be deployed and the prop on.
- Press the + button to increase your speed.
- Press the - button to decrease your speed.
Steer the Motor
To steer the motor left or right with the remote, the motor must be deployed.
- Use the right arrow button to turn the motor to the right.
- Use the left arrow button to turn the motor to the left.
Spot-Lock
Use GPS coordinates to automatically anchor the boat at a desired spot.
-
Engage Spot-Lock
- Press the Spot-Lock button.
- To save the Spot-Lock, press the Menu button. Scroll to Save Spot-Lock. Select it by pressing the Steer Right button.
-
Disengage Spot-Lock
- With Spot-Lock engaged, press the Spot-Lock button on the remote to disengage.
Spot-Lock Jog
Spot-Lock Jog is a feature that is only available when the i-Pilot controller is paired with a Heading Sensor.
- To engage Spot-Lock Jog, first engage Spot-Lock. Use the Speed Down (jog backward), Speed Up (jog forward), Steer Left (jog left), and Steer Right (jog right) buttons to jog the Spot-Lock location 5-feet in the selected direction from the current Spot-Lock location.
- Spot-Lock Jog requires a calibrated Heading Sensor on i-Pilot BT, i-Pilot Link BT, and Non-QUEST Advanced GPS Navigation equipped motors.
- Spot-Lock Jog does not require a Heading sensor on QUEST Advanced GPS Navigation motors.
Cruise Control
Dial in and adjust target speed to keep speed over ground (SOG) consistent.
-
Engage Cruise Control
- Press the Cruise Control button on the remote.
- The Target Speed will appear on the display screen. Press the Speed Down or Speed Up buttons to adjust the Target Speed.
-
Disengage Cruise Control
- When Cruise Control is engaged, press the Cruise Control button on the remote to disengage Cruise Control
-
Jump To or Set a Cruise Control Preset
- To jump to or set a Cruise Control Preset, first engage Cruise Control.
- Use the Speed Down or Speed Up buttons to change the Target Speed. While adjusting the Target Speed, the menu at the bottom of the display screen temporarily changes to display two Preset Target Speeds.
- While the Presets are showing, press either the Left Softkey or Right Softkey to jump to the corresponding Preset on the display screen.
- To save the Preset to a new value, adjust the Target Speed to the desired value. While the Presets are showing in the menu at the bottom of the display screen, press and hold either the Left Softkey or Right Softkey.
-
Locked Heading
Uses compass heading to keep the motor pointed in the same compass direction. -
Locked Course
Uses compass heading and GPS data to correct for wind, current and external forces to keep the boat on the intended course.
- Press the AutoPilot button on the remote to disengage AutoPilot.
- Either Locked Course or Locked Heading AutoPilot will be engaged depending on the AutoPilot Mode selected.
- When AutoPilot is engaged, press the AutoPilot button to disengage.
- When AutoPilot is engaged, press the Menu button and select Adjust Course by pressing the Steer Right button.
- Scroll to the Jog option and press the Steer Left or Steer Right button to adjust the course by 5-foot increments.
AutoPilot
When in AutoPilot, Advanced GPS Navigation keeps the trolling motor pointed in the direction you want to go. Each time the wind or water current moves the boat off course, the AutoPilot senses the change and steers itself back to the original heading. The AutoPilot direction is set every time a steering change is made. To change direction, steer until the Control Head points to the desired course. AutoPilot will pull the bow of the boat around and correct automatically until the boat is moving in the direction you chose.
AutoPilot Modes
Two different modes of AutoPilot are available, Locked Heading and Locked Course. Both are collectively referred to as AutoPilot. There are distinct differences between the two AutoPilot Modes and how they control your boat. Both Locked Heading and Locked Course are valuable tools the fisherman can use for accurate and precise bait presentation. We highly recommend getting on the water and trying both Locked Heading and Locked Course in various fishing situations and applications. With experimentation and time you will find which AutoPilot Mode works best for you in any given situation.
- Locked Heading
Uses compass heading to keep the motor pointed in the same compass direction. - Locked Course
Uses compass heading and GPS data to correct for wind, current and external forces to keep the boat on the intended course.
Engage and Disengage Legacy AutoPilot or Advanced AutoPilot
- Press the AutoPilot button on the remote to disengage AutoPilot.
- Either Locked Course or Locked Heading AutoPilot will be engaged depending on the AutoPilot Mode selected.
- When AutoPilot is engaged, press the AutoPilot button to disengage.
Locked Course Autopilot Jog
- When AutoPilot is engaged, press the Menu button and select Adjust Course by pressing the Steer Right button.
- Scroll to the Jog option and press the Steer Left or Steer Right button to adjust the course by 5-foot increments.
Range
The range of the Advanced GPS Navigation Wireless Remote is 30 feet. The range of the remote will be greatly reduced if it is used near or mounted to any metal object including aluminum or steel. It is also recommended that the front end of the remote not be obstructed during use.
Advanced GPS Navigation Micro Remote Functions
-
Speed Down & Speed Up
Press to decrease or increase motor speed. -
Prop On/Off
Pressing this button will turn the Prop on and off. -
Steer Left & Steer Right
Press to steer the motor to the left or to the right. -
Max Speed
Bypasses the current motor speed to speed 10. Double press to engage. Single press to disengage. -
Spot-Lock
Press to enable Spot-Lock. When Spot-Lock is enabled from the Micro Remote, use either the fully functioning standard remote or the fish finder if you want to save it. -
AutoPilot
Press to enable AutoPilot. The selection between Heading Lock and Course Lock must be made from either the fully functioning standard remote or the fish finder.
Terrova Serial Number Location
On Terrova and RT/ST models the serial number is located inside the mount near the motor rests, this can be seen when the motor is stowed.
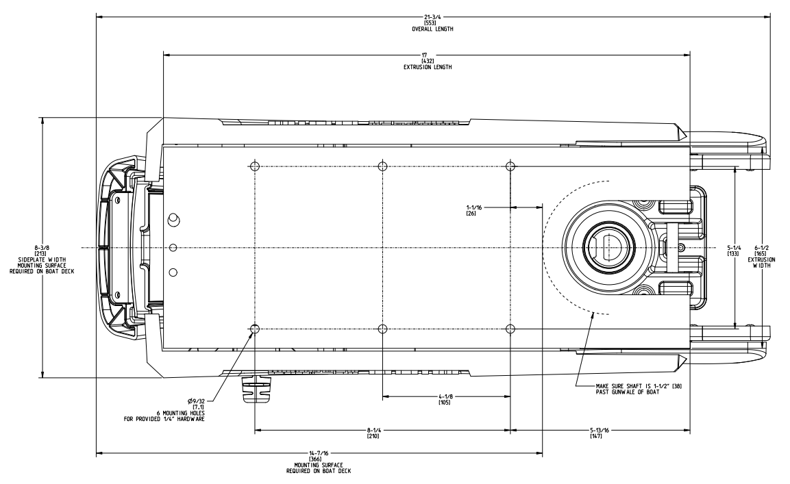
2024 Terrova (brushed) Dimensions
Foot Pedal Dimensions
Installing an External Transducer on a Terrova (2023-present)
An external transducer is not included with your trolling motor. An external transducer can be installed onto motors that have Advanced GPS Navigation or motors that do not have a built-in transducer. Installing an external transducer is not recommended for motors with Built-in MEGA Down Imaging or MEGA Side Imaging. Click here for Built-In MEGA Imaging Compatibility.
- Mount the External Transducer according to directions provided with the transducer.
- Leave enough slack in the Transducer Cable between the Lower Unit and Control Head to allow the motor to properly stow and deploy.
- Use two tie wrap cables to secure the Transducer Cable to the Shaft just below the Control Head.
- Run the Transducer Cable through the Coil Cord to the power supply.
Manuals
-
- Terrova Owner's Manual
- Terrova Installation Guide
- Terrova Mounting Dimensions
- Riptide Terrova Owner's Manual
- Riptide Terrova Installation Guide
- Wireless Remote Product Manual
- Advanced GPS Navigation for APEX and SOLIX
- Advanced GPS Navigation for HELIX
- One-Boat Network App Product Manual
- OBN App & Wireless Remote Pairing Quick Reference Guide