Universal Sonar (US or US1) Compatibility Chart and Adapter Cables (Obsolete)

The original Universal Sonar transducer offered dual frequency sonar. The frequencies are 192 kHz and 200 kHz. It did not offer temperature or speed functions. The Universal Sonar cone angle measures 14 degrees at -3dB. Click here for a PDF showing compatibility and needed adapters. Please note the adapters cables have also been discontinued. Universal Sonar was discontinued in 2006. 

Jump to:

US-1 Chart

US-1.png

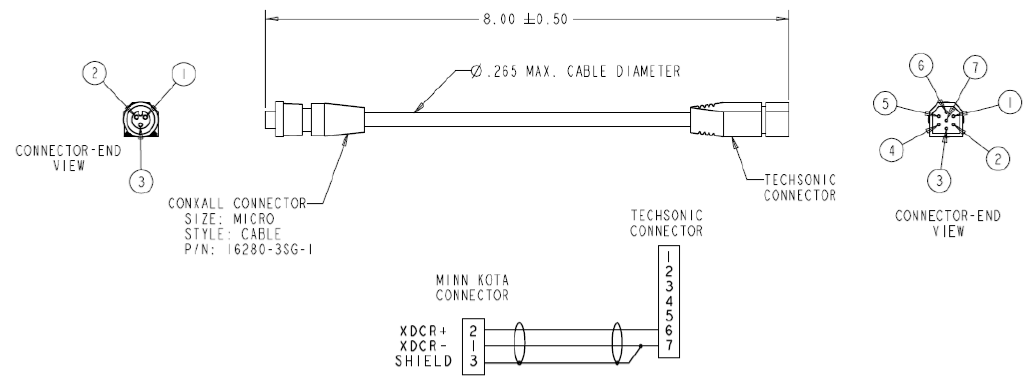
MKR-US-1

MKR-US-1.png

MKR-US-2

MKR-US-2.png

MKR-US-3

MKR-US-3.png

MKR-US-4

MKR-US-4.png

MKR-US-5

MKR-US-5.png

MKR-US-6

MKR-US-6.png

MKR-US-7

MKR-US-7.png

MKR-US-8

MKR-US-8.png

MKR-US-9

MKR-US-9.png

Was this article helpful?
2 out of 7 found this helpful

Articles in this section