This article shows the difference between Universal Sonar 2 (US2) adaptor cables.
Jump to:
- US2 Compatibility Chart
- MKR-US2-1, 1852061
- MKR-US2 4
- MKR-US2 6
- MKR-US2 7
- MKR-US2 8, 1852068
- MKR-US2-9, 1852069
- MKR-US2-10, 1852060
- MKR-US2-11, 1852080
- MKR-US2-12, 1852072
- MKR-US2 13, 1852073
- MKR-US2-14, 1852074
- MKR-US2-15, 1852075
- MKR-US2-16, 1852076
- Resources
US2 Compatibility Chart
- Click here for the US2 Compatibility Chart
- Universal Sonar 2 (US2) Compatibility, Sonar Settings, and Features (Obsolete)
- US2 Compatibility.pdf
MKR-US2-1, 1852061
- US2 Adapter Cable / MKR-US2-1 - Garmin
- Universal Sonar 2 delivers advanced water temperature sensing for the best view of the waters below. Adapter connects your Garmin fishfinder with a Universal Sonar 2 transducer on your trolling motor. Shielded, IP68-rated waterproof connectors are metal tipped to prevent sonar interference.
- US2-1.jpg
-
MKR-US2-1 Installation Instruction
MKR-US2 4
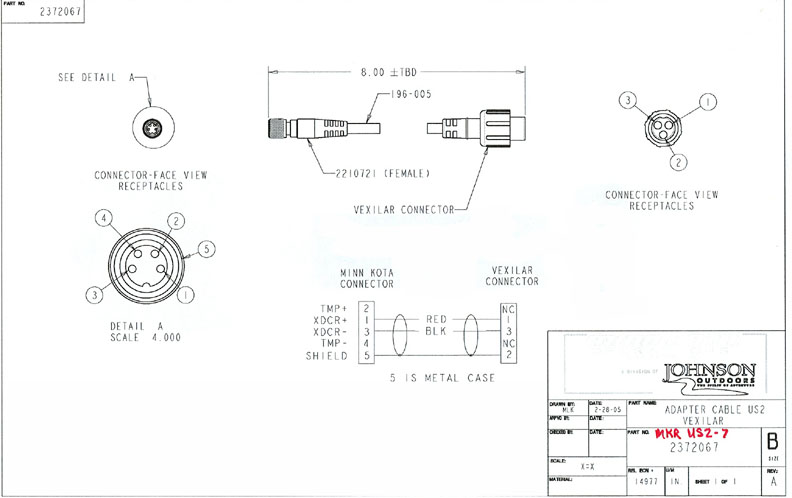
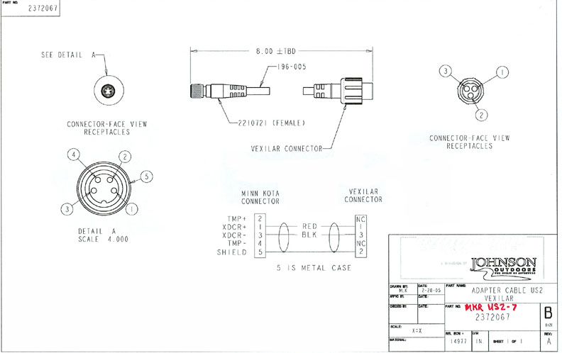
MKR-US2 6
MKR-US2 7
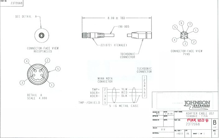
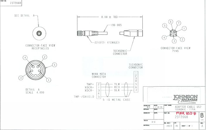
MKR-US2 8, 1852068
- US2 Adapter Cable / MKR-US2-8 - HB 7-Pin
- Universal Sonar 2 delivers advanced water temperature sensing and DualBeam PLUS technology for the best view of the waters below. Adapter connects your Humminbird fishfinder with a Universal Sonar 2 transducer on your trolling motor. Shielded, IP68-rated waterproof connectors are metal tipped to prevent sonar interference. *200 kHz/83 kHz compatible and only provides traditional 2D sonar
- US2-8.jpg
-
MKR-US2-8 Installation Instructions
MKR-US2-9, 1852069
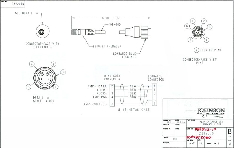
MKR-US2-10, 1852060
- US2 Adapter Cable / MKR-US2-10 - Lowrance
- Universal Sonar 2 delivers advanced water temperature sensing for the best view of the waters below. Adapter connects your Lowrance fishfinder with a Universal Sonar 2 transducer on your trolling motor. Shielded, IP68-rated waterproof connectors are metal tipped to prevent sonar interference.
- US2-10.jpg
-
MKR-US2-10 Installation Instructions
MKR-US2-11, 1852080
- US2 Extension Cable / MKR-US2-11
- Extension cable allows for an additional 14-1/2 ft of length to your US2 adapter cables that connect your fishfinder with a US2 transducer on your trolling motor. Universal Sonar 2 delivers advanced water temperature sensing for the best view of the waters below. Waterproof construction.
MKR-US2-12, 1852072
- US2 Adapter Cable / MKR-US2-12 - Garmin Echo
- Universal Sonar 2 delivers advanced water temperature sensing for the best view of the waters below. Adapter connects your Garmin fishfinder with a Universal Sonar 2 transducer on your trolling motor.
- US2-12.jpg
-
MKR-US2-12 Installation Instructions
MKR-US2 13, 1852073
- US2 Adapter Cable / MKR-US2-13 - HB APEX / SOLIX / ONIX / XPLORE
- Universal Sonar 2 delivers advanced water temperature sensing and DualBeam PLUS technology for the best view of the waters below. Adapter connects your Humminbird APEX, SOLIX, ONIX, or XPLORE fishfinder with a Universal Sonar 2 transducer on your trolling motor.
- US2 13.JPG
-
MKR-US2-13 Installation Instructions
MKR-US2-14, 1852074
- US2 Adapter Cable / MKR-US2-14 - Garmin 8-Pin
- Universal Sonar 2 delivers advanced water temperature sensing for the best view of the waters below. Adapter connects your Garmin fishfinder with a Universal Sonar 2 transducer on your trolling motor.
- MKR-US2-14 Installation Instructions
MKR-US2-15, 1852075
- US2 Adapter Cable / MKR-US2-15 - Lowrance Hook2
- Universal Sonar 2 delivers advanced water temperature sensing for the best view of the waters below. Adapter connects your Lowrance Hook2 fish finder with a Universal Sonar 2 transducer on your trolling motor.
MKR-US2-16, 1852076
- US2 Adapter Cable / MKR-US2-16 - Lowrance Elite Ti2 & HDS
- Universal Sonar 2 delivers advanced water temperature sensing for the best view of the waters below. Adapter connects your Lowrance Elite Ti2 and HDS fish finder with a Universal Sonar 2 transducer on your trolling motor. Shielded, IP68-rated waterproof connectors are metal tipped to prevent sonar interference.