Bow Mount Stabilizer Kits

Stabilizers reduce motor bouncing on bow-mount trolling motors when in the stowed position. 


Jump to:

MKA-4 Bow Mount Stabilizer Kit - Top Mount, item number 18662013 (obsolete)

This kit attaches to the top side of the upper arm of a scissors mount. When the motor is stowed, the stabilizer is positioned vertically between the upper arm of the bracket and the deck of the boat. A rubber bumper also protects the deck finish.

  • For Maxxum Pro, Maxxum, Riptide Pro, or Riptide SM bow-mounting trolling motors.
  • This stabilizer kit is obsolete and no longer available.

MKA-4 1.png
MKA-4 2.png

MKA-29 Stabilizer Kit - Side Mount, item number 1862012

Reduces bounce on Maxxum and Riptide SM bow-mount trolling motors. Fits between upper and lower arm of mounting bracket. Pivots into vertical position when the motor is stowed to reduce bounce from heavy chop or wake. Rotates into a horizontal position along the side upper arm when the motor is deployed. Saltwater-tested and fully corrosion resistant.

  • Reduces bounce on Maxxum and Riptide SM bow-mount trolling motors.
  • Fits between upper and lower arm of mounting bracket. and fully corrosion resistant.
  • Pivots into vertical position when the motor is stowed to reduce bounce from heavy chop or wake.
  • Rotates into a horizontal position along the side upper arm when the motor is deployed.
  • Saltwater-tested
  • Compatible with Maxxum and Riptide Maxxum (SM)
  • MKA-29 Instruction Sheet
  • Click here for purchase options

Stabilizer_Kit_Side_Mount_MKA_29.png

MKA-50 Stabilizer Kit - Ultrex/Fortrex, item number 1862050

Reduces motor bouncing when in stowed position.

  • Attaches to the left or right side of bowguard
  • Pivots into vertical position and rests on the boat deck when motor is stowed
  • Rotates in the horizontal position with bowguard when the motor is deployed
  • Includes rubber bumper to protect deck finish
  • Stainless steel hardware tested for saltwater use
  • Fits any Ultrex, Fortrex or Riptide Fortrex (SF) bow-mount trolling motor
  • MKA-50 Instructions
  • Click here for purchase options

Stabilizer_Kit MKA_50.png

MKA-60 Stabilizer Kit, item number 1862060

Reduces bounce on bow-mount trolling motors. Equipped with a low profile mounting base that allows stabilizer to be easily removed. Pivoting arm can be folded down when not in use.

  • Reduces motor bounce in the stowed position
  • Absorb vibrations to protect motor shaft
  • Folds down when not in use
  • Multiple mounting orientations to fit your boat configuration
  • Easily removeable, leaves only a low profile base
  • Stabilizer shaft can be cut to fit
  • Multi-position strap adjusts to accommodate all shaft sizes
  • Includes Stainless steel mounting hardware
  • Compatible with QUEST series RT Instinct, Ulterra, RT Terrova, Terrova and Ulterra, Riptide Ulterra, Terrova, Riptide Terrova, Riptide ST, PowerDrive, Riptide PowerDrive, PowerDrive V2, Riptide SP, and PowerDrive Pontoon
  • MKA-60 Installation Instructions
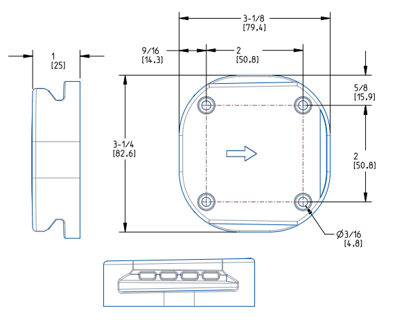
  • MKA-60 Dimensions
  • Click here for purchase options
  • Click here for replacement rubber strap, part number 2373826

Stabilizer_Kit_MKA_60 1.png
Stabilizer_Kit_MKA_60 2.png
MKA_60 dimensions 1.png
MKA_60 dimensions 2.png
Stabilizer_Kit_MKA_60 3.png

Was this article helpful?
1 out of 7 found this helpful

Articles in this section