Easily remove your bow-mount trolling motor with a Quick Release Bracket. The dimensions and instruction sheets are available below.
Click here for quick release bracket purchase options.
Jump to:
- (Obsolete) MKA-16-02
- MKA-16-03
- MKA-21 and RTA-17
- (Obsolete) MKA-22 and RTA-18
- MKA-23 and RTA-19
- (Obsolete) MKA-24 and RTA-20
- MKA-32
- MKA-42
- (Obsolete) MKA 47 Universal Quick Release Bracket/MKA 48 Top Plate
- MKA-51
- (Obsolete) MKA-52/62
- (Obsolete) MKA-53 and RTA-54
- MKA-56 and RTA-55
- MKA-57
- MKA-58 Boat Deck Reinforcement Kit
- MKA-61
- MKA-62
- MKA-64 and RTA-62
(Obsolete) MKA-16-02
- Obsolete, replaced with MKA-16-03
- MKA-16-02 #1854013 PowerDrive, PowerDrive V2 & Terrova models
MKA-16-03
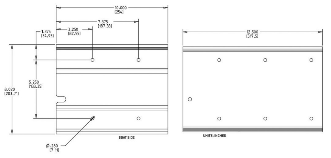
MKA-21 and RTA-17
(Obsolete) MKA-22 and RTA-18
- MKA-22 and RTA-18 QRB instruction sheet
- MKA-22 and RTA-18 Dimensions
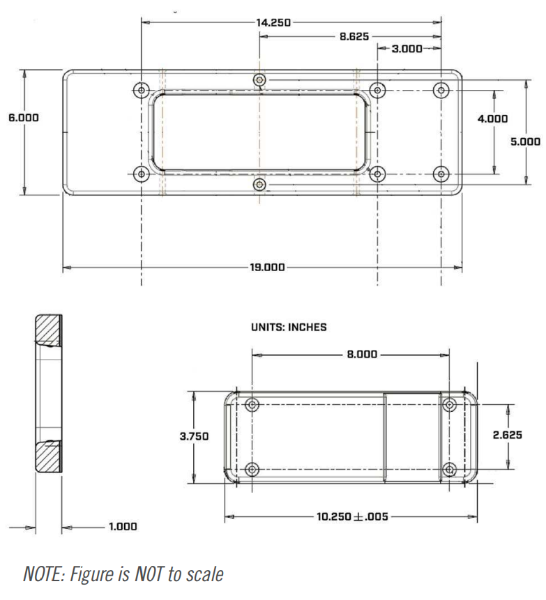
MKA-23 and RTA-19
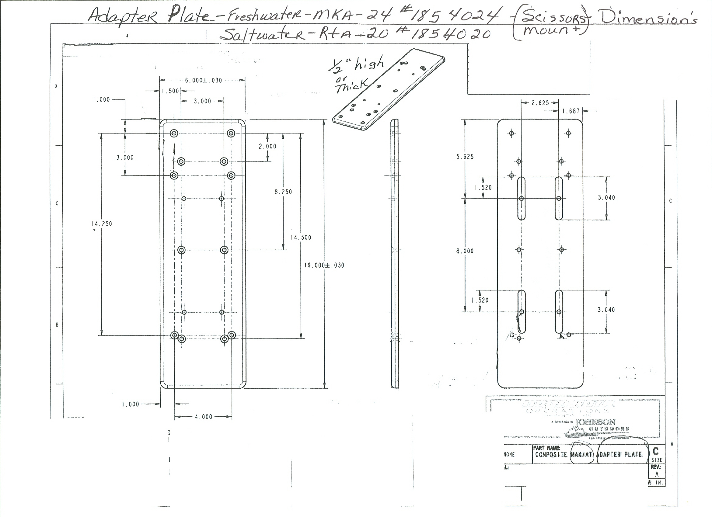
(Obsolete) MKA-24 and RTA-20
- MKA-24 and RTA-20 QRB instruction sheet
- MKA-24 and RTA-20 Dimensions
MKA-32
MKA-42
(Obsolete) MKA 47 Universal Quick Release Bracket/MKA 48 Top Plate
- Top Plate and base plate are each 8”x18”x0.656”
- Total height of both plates assembled is 0.85”
- Boat side includes holes that match all Minn Kota and most competitors mounting holes
- Motor side has holes for any current Minn Kota Motor
- Top Plate (MKA 48 is only this half)
- Two Sets of Four Holes 4.125 x 5.25; these are for mounting Terrova, PowerDrive V2, Riptide ST, Riptide SP
- Only use the four mounting holes furthest from the front of the motor on these motors and one of these sets of holes.
- Base Plate
- Installation for a Terrova/PowerDrive V2
- To mount the Terrova/PowerDrive V2 you will need to use either the 4 red holes or the 4 yellow holes on the MKA-47 quick release bracket.
- You will only use the 4 rear mounting holes (labeled in green) on the Terrova/PowerDrive V2 base. This will ensure that the shaft has proper clearance when the motor is deployed.
- To mount the Terrova/PowerDrive V2 you will need to use either the 4 red holes or the 4 yellow holes on the MKA-47 quick release bracket.
MKA-51
(Obsolete) MKA-52/62
- Aluminum Quick Release Bracket
- MKA-52/62 #1862016 Fortrex, Maxxum, Edge and All Terrain Motors that are:
- 52” or 62” shaft foot control models
- 62” shaft hand control models
- Bottom Plate
(Obsolete) MKA-53 and RTA-54
- MKA-53 and RTA-54 QRB instruction sheet
- MKA-53
- RTA-54
- Bow Plate
- Assembled Top
- Assembled Side
- Assembled Top Draw Bar Clearance
RTA-55 and MKA-56
- MKA-56 and RTA-55 QRB instruction sheet
-
MKA-56 and RTA-55 QRB Dimensions
- Inner Puck
- Outer Ring
- Inner Puck
MKA-57
- MKA-57 QRB instruction sheet
-
MKA-57 QRB Dimensions
- Locked
- Locked Storage
- Unlocked Storage
- Unlocked Handle Clearance
- Locked
MKA-58 Boat Deck Reinforcement Kit
MKA-61
MKA-62
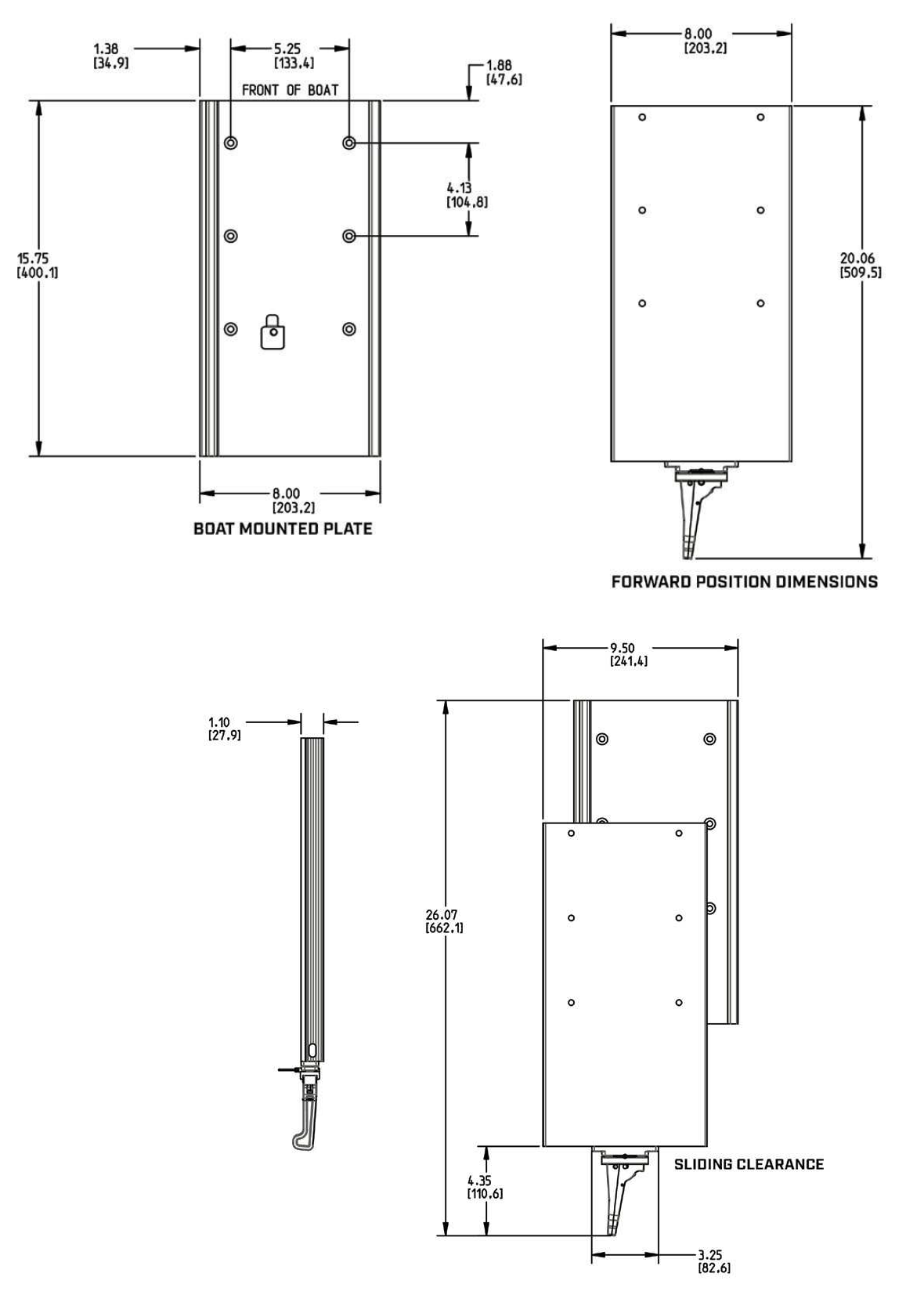
MKA-64 and RTA-62
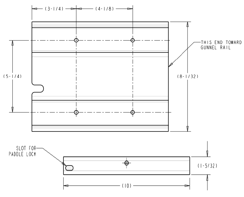
- MKA-64 Installation Instructions
-
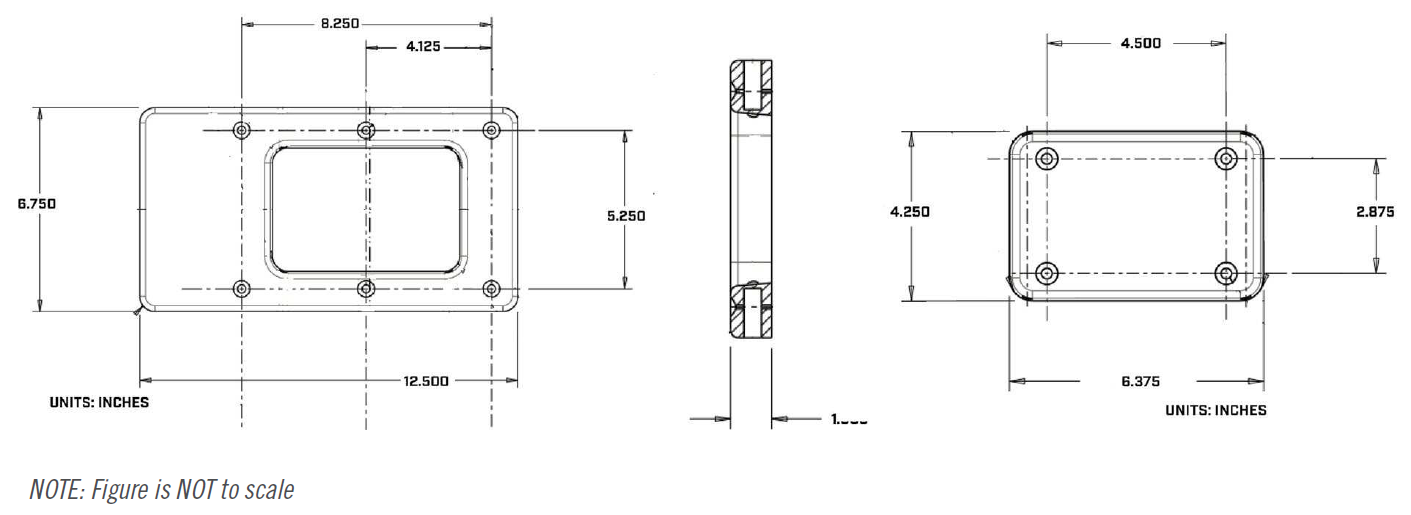
RTA-62 & MKA-64 QRB Dimensions
- RTA-62 and MKA-64 Inner Puck Dimensions
- RTA-62 and MKA-64 Outer Ring Dimensions
- RTA-62 and MKA-64 Drawbar Removal Clearance
- RTA-62 and MKA-64 Inner Puck Dimensions